Chuzhou Qidi Instrument Co., Ltd
Contact information: 15357112888
Service Hotline: 18761512237
application
The product is suitable for measuring the pressure of corrosive liquids, gases and other media, as well as the pressure of viscous media. It can adapt to special places and various working conditions. Different materials of measuring diaphragms can be selected according to the corrosion resistance requirements of the measuring medium. The shell is made of stainless steel material and can be used in harsh environments. Widely used in the fields of petroleum, chemical, mechanical, metallurgical, and nuclear energy technology. The instrument indication is clear, stable and reliable, with threaded connection and optional flange connection.
Technical Specifications
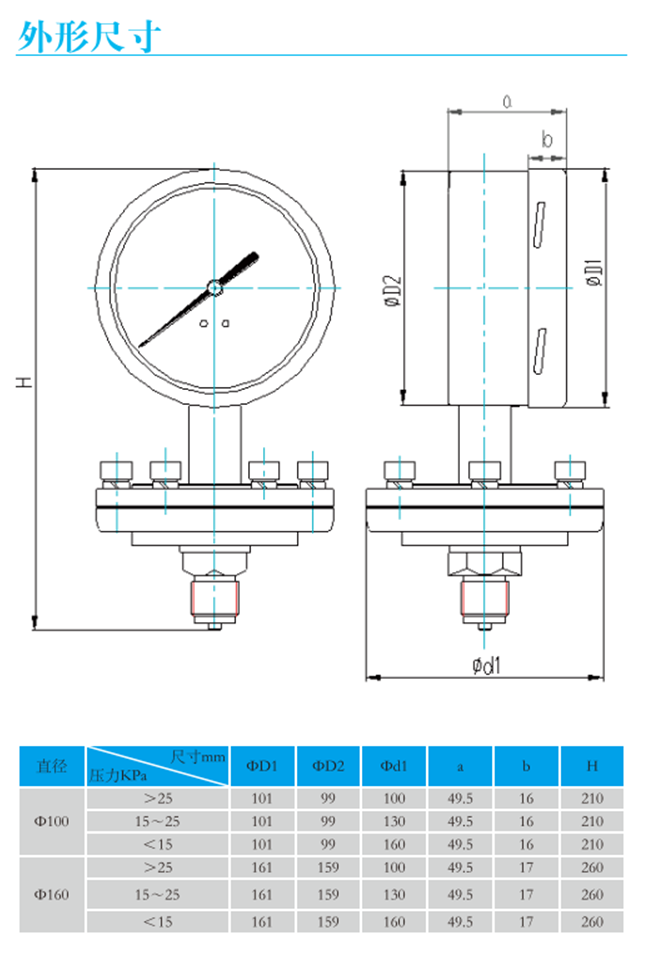
Nominal diameter: 100mm, 160mm
Accuracy level: 1.6, 2.5, 4 Measurement range: 0~4KPa... 2.5MPa
Or other equivalent pressure vacuum range
Environmental temperature: -20 ℃~60 ℃
Medium temperature: -40 ℃~100 ℃
When the temperature of the measurement system deviates from 20 ± 5 ℃. The indication error of the instrument shall not exceed 0.6%/10 ℃. Process connection: M20X1.5, 1/2 "NPT, G1/2
Customization of threads or flanges according to user requirements
Liquid receiving material: 316SS
Case material: 304SS (316SS optional)
Material of the movement: 304SS
Pressure sensing element: diaphragm
Instrument pointer: aluminum alloy, black
Instrument dial: aluminum alloy, white background with black letters
Instrument glass: safety glass
Protection level: IP54, IP65, IP66
option
Dual range dial
Instrument fluid filling: glycerin, silicone oil, fluorine oil, etc
Heat sink (can adapt to higher medium temperatures)
Membrane materials: HaC, Ta, Ti, Zr, etc
Instrument anti-corrosion: spraying PTFE or lining PTFE with liquid, etc

